»ê¾÷¿ë¹°·ù±â°è ¸®ÇÁÆ® ÁÖ¹®Á¦ÀÛ Àü¹®±â¾÷ µð¿¥¾¾ÄÚ¸®¾Æ
YOUR BEST PARTNER WITH DMCKOREA

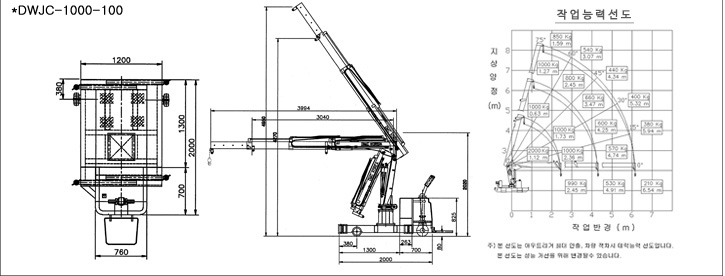
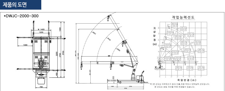
Á¦Ç°¼Ò°³ > 12. ÁöºêÅ©·¹ÀÎ-À©ÂîÇü

12. ÁöºêÅ©·¹ÀÎ-À©ÂîÇü